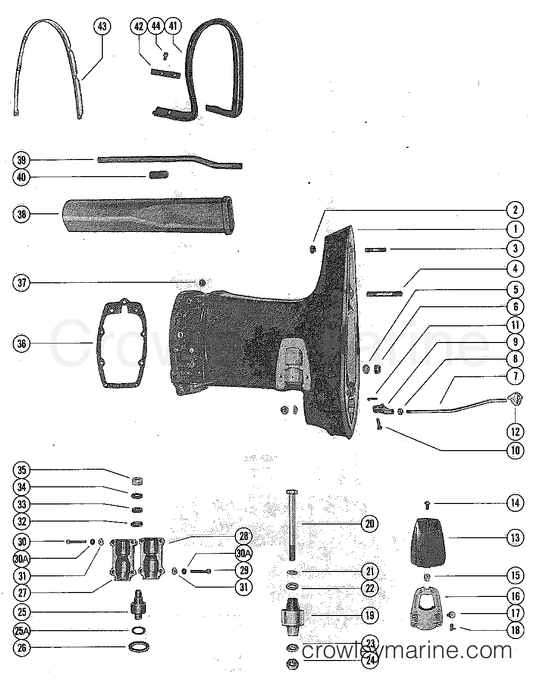
Drive Shaft Housing Assembly . fit the new drive shaft. knowing the different drive shaft components and the role they play will give you a clearer view of their value in the driveline. a drive shaft assembly consists of several key components, including the drive shaft itself, universal. Make sure you tighten the hub nuts up to the manufacturer's specified torque. the drive shaft (propeller shaft) transfers the power produced by the engine from the transmission to the rear axle or front axle. a drive shaft is one of the most important parts of your car. a drive shaft diagram is a visual representation of the components that make up a drive shaft, including the yoke, slip joint, and universal joints.
from www.crowleymarine.com
knowing the different drive shaft components and the role they play will give you a clearer view of their value in the driveline. fit the new drive shaft. the drive shaft (propeller shaft) transfers the power produced by the engine from the transmission to the rear axle or front axle. a drive shaft assembly consists of several key components, including the drive shaft itself, universal. Make sure you tighten the hub nuts up to the manufacturer's specified torque. a drive shaft is one of the most important parts of your car. a drive shaft diagram is a visual representation of the components that make up a drive shaft, including the yoke, slip joint, and universal joints.
DRIVE SHAFT HOUSING ASSEMBLY 1975 Outboard 150 1150505 Crowley Marine
Drive Shaft Housing Assembly a drive shaft is one of the most important parts of your car. the drive shaft (propeller shaft) transfers the power produced by the engine from the transmission to the rear axle or front axle. fit the new drive shaft. a drive shaft diagram is a visual representation of the components that make up a drive shaft, including the yoke, slip joint, and universal joints. Make sure you tighten the hub nuts up to the manufacturer's specified torque. a drive shaft assembly consists of several key components, including the drive shaft itself, universal. knowing the different drive shaft components and the role they play will give you a clearer view of their value in the driveline. a drive shaft is one of the most important parts of your car.
From www.crowleymarine.com
DRIVE SHAFT HOUSING ASSEMBLY 1988 Race Outboard 25XS [RACE] 19049058H Drive Shaft Housing Assembly a drive shaft diagram is a visual representation of the components that make up a drive shaft, including the yoke, slip joint, and universal joints. knowing the different drive shaft components and the role they play will give you a clearer view of their value in the driveline. Make sure you tighten the hub nuts up to the. Drive Shaft Housing Assembly.
From www.vansoutboardparts.com
Mercury MERCRUISER 250 1977 4791300 THRU 4898729 DRIVE SHAFT Drive Shaft Housing Assembly a drive shaft is one of the most important parts of your car. a drive shaft assembly consists of several key components, including the drive shaft itself, universal. fit the new drive shaft. a drive shaft diagram is a visual representation of the components that make up a drive shaft, including the yoke, slip joint, and. Drive Shaft Housing Assembly.
From www.perfprotech.com
DRIVE SHAFT HOUSING ASSEMBLY AND GEAR ASSEMBLY Drive Shaft Housing Assembly a drive shaft assembly consists of several key components, including the drive shaft itself, universal. a drive shaft diagram is a visual representation of the components that make up a drive shaft, including the yoke, slip joint, and universal joints. the drive shaft (propeller shaft) transfers the power produced by the engine from the transmission to the. Drive Shaft Housing Assembly.
From mowpart.com
MTD 75305469 MTD 75305469 Drive Shaft Housing Assembly Drive Shaft Housing Assembly a drive shaft is one of the most important parts of your car. knowing the different drive shaft components and the role they play will give you a clearer view of their value in the driveline. a drive shaft assembly consists of several key components, including the drive shaft itself, universal. the drive shaft (propeller shaft). Drive Shaft Housing Assembly.
From www.crowleymarine.com
DRIVE SHAFT HOUSING ASSEMBLY Serial Range Outboard 110 1470349 THRU Drive Shaft Housing Assembly a drive shaft diagram is a visual representation of the components that make up a drive shaft, including the yoke, slip joint, and universal joints. knowing the different drive shaft components and the role they play will give you a clearer view of their value in the driveline. Make sure you tighten the hub nuts up to the. Drive Shaft Housing Assembly.
From www.perfprotech.com
DRIVE SHAFT HOUSING ASSEMBLY Drive Shaft Housing Assembly fit the new drive shaft. Make sure you tighten the hub nuts up to the manufacturer's specified torque. a drive shaft is one of the most important parts of your car. the drive shaft (propeller shaft) transfers the power produced by the engine from the transmission to the rear axle or front axle. a drive shaft. Drive Shaft Housing Assembly.
From www.crowleymarine.com
DRIVE SHAFT HOUSING ASSEMBLY AND BELL HOUSING ASSEMBLY Serial Range Drive Shaft Housing Assembly knowing the different drive shaft components and the role they play will give you a clearer view of their value in the driveline. Make sure you tighten the hub nuts up to the manufacturer's specified torque. a drive shaft is one of the most important parts of your car. a drive shaft diagram is a visual representation. Drive Shaft Housing Assembly.
From www.perfprotech.com
MERCURY 40, 4 (GNAT 2 CYL.) DRIVE SHAFT HOUSING ASSEMBLY Drive Shaft Housing Assembly a drive shaft is one of the most important parts of your car. Make sure you tighten the hub nuts up to the manufacturer's specified torque. fit the new drive shaft. a drive shaft assembly consists of several key components, including the drive shaft itself, universal. knowing the different drive shaft components and the role they. Drive Shaft Housing Assembly.
From www.perfprotech.com
DRIVE SHAFT HOUSING ASSEMBLY AND GEAR ASSEMBLY Drive Shaft Housing Assembly a drive shaft diagram is a visual representation of the components that make up a drive shaft, including the yoke, slip joint, and universal joints. knowing the different drive shaft components and the role they play will give you a clearer view of their value in the driveline. a drive shaft assembly consists of several key components,. Drive Shaft Housing Assembly.
From www.crowleymarine.com
DRIVE SHAFT HOUSING ASSEMBLY (G4) 1976 Outboard 65 1650506 Crowley Drive Shaft Housing Assembly a drive shaft is one of the most important parts of your car. Make sure you tighten the hub nuts up to the manufacturer's specified torque. a drive shaft assembly consists of several key components, including the drive shaft itself, universal. a drive shaft diagram is a visual representation of the components that make up a drive. Drive Shaft Housing Assembly.
From www.perfprotech.com
DRIVE SHAFT HOUSING ASSEMBLY AND GEAR ASSEMBLY Drive Shaft Housing Assembly a drive shaft is one of the most important parts of your car. knowing the different drive shaft components and the role they play will give you a clearer view of their value in the driveline. the drive shaft (propeller shaft) transfers the power produced by the engine from the transmission to the rear axle or front. Drive Shaft Housing Assembly.
From www.cpperformance.com
CP Performance Drive Shaft Housing Assembly 15479412A18 Drive Shaft Housing Assembly knowing the different drive shaft components and the role they play will give you a clearer view of their value in the driveline. the drive shaft (propeller shaft) transfers the power produced by the engine from the transmission to the rear axle or front axle. Make sure you tighten the hub nuts up to the manufacturer's specified torque.. Drive Shaft Housing Assembly.
From www.troybilt.com
Drive Shaft Housing Assembly 75305469 TroyBilt US Drive Shaft Housing Assembly a drive shaft diagram is a visual representation of the components that make up a drive shaft, including the yoke, slip joint, and universal joints. the drive shaft (propeller shaft) transfers the power produced by the engine from the transmission to the rear axle or front axle. knowing the different drive shaft components and the role they. Drive Shaft Housing Assembly.
From www.marineengine.com
Evinrude Johnson OMC 0382796 Drive Shaft Housing and Seal Assembly Drive Shaft Housing Assembly knowing the different drive shaft components and the role they play will give you a clearer view of their value in the driveline. a drive shaft assembly consists of several key components, including the drive shaft itself, universal. Make sure you tighten the hub nuts up to the manufacturer's specified torque. fit the new drive shaft. . Drive Shaft Housing Assembly.
From www.crowleymarine.com
DRIVE SHAFT HOUSING ASSEMBLY 1975 Outboard 150 1150505 Crowley Marine Drive Shaft Housing Assembly a drive shaft is one of the most important parts of your car. the drive shaft (propeller shaft) transfers the power produced by the engine from the transmission to the rear axle or front axle. a drive shaft diagram is a visual representation of the components that make up a drive shaft, including the yoke, slip joint,. Drive Shaft Housing Assembly.
From www.cpperformance.com
CP Performance Drive Shaft Housing Rebuilt Drive Shaft Housing Assembly a drive shaft assembly consists of several key components, including the drive shaft itself, universal. a drive shaft diagram is a visual representation of the components that make up a drive shaft, including the yoke, slip joint, and universal joints. fit the new drive shaft. a drive shaft is one of the most important parts of. Drive Shaft Housing Assembly.
From www.perfprotech.com
DRIVE SHAFT HOUSING ASSEMBLY Drive Shaft Housing Assembly a drive shaft is one of the most important parts of your car. a drive shaft diagram is a visual representation of the components that make up a drive shaft, including the yoke, slip joint, and universal joints. a drive shaft assembly consists of several key components, including the drive shaft itself, universal. knowing the different. Drive Shaft Housing Assembly.
From www.perfprotech.com
DRIVE SHAFT HOUSING ASSEMBLY AND GEAR ASSEMBLY Drive Shaft Housing Assembly Make sure you tighten the hub nuts up to the manufacturer's specified torque. a drive shaft is one of the most important parts of your car. a drive shaft assembly consists of several key components, including the drive shaft itself, universal. a drive shaft diagram is a visual representation of the components that make up a drive. Drive Shaft Housing Assembly.